AN-1449: PLC モジュールをグリッチ・フリーで挿入するための ADM3066E によるホット・スワップのサポート
はじめに
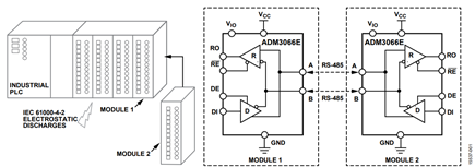
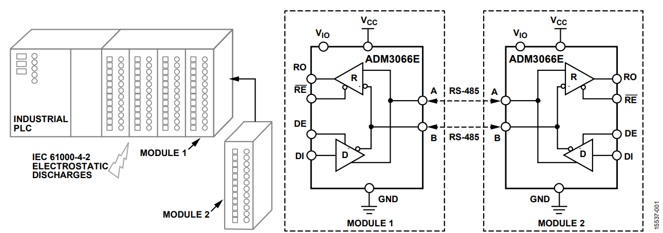
通常、産業オートメーション用プログラマブル・ロジック・コントローラ(PLC)の通信ポートには RS-485 インターフェースを使用しますが、PLC ラックにモジュールを活線挿入すると、静電放電(ESD)や通信エラーが発生することがあります。このような障害は、RS-485 インターフェースに回復不能な損傷を与える場合があります。
RS-485 は、マルチポイント規格として仕様規定されています。つまり、最大で 32 台のトランシーバーを同じバスに接続でき、これら 32 台のトランシーバーのどれでも RS-485 バスに駆動信号を供給できます。ADM3066E などの一部のトランシーバーでは、最大 128 台のバス・ノードに対応できます。マルチポイント・システムのホット・スワップでは、常に 1 つの RS-485 ドライバのみがアクティブになります。RS-485 バスで複数のドライバがアクティブになると、バスの競合が発生し、データ・エラーにつながる可能性があります。
ADM3066E のホット・スワップ機能は、RS-485 トランシーバーを誤ってイネーブルにすることで発生する、意図しないバス競合に対応できるように設計されています。RS-485 トランシーバーは、電源の容量性カップリングまたは RS-485 ドライバやレシーバー・イネーブル入力とグラウンドの容量性カップリングにより、誤ってイネーブルになることがあります。また、RS-485 トランシーバーは、隣接するマイクロコントローラからのリーク電流によってもイネーブルになり、ドライバやレシーバー・イネーブル入力でドリフトが発生することがあります。
RS-485 コネクタや PLC モジュール通信用の配線が露出している場合、ESD が頻繁に発生します。プログラマブル・コントローラ向けのシステム・レベルの IEC 61131-2 規格では、最低で ±6 kVの接触放電と ±8 kV の気中放電に対して IEC 61000-4-2 の ESD 保護等級が要求されます。ADM3066E は、±12 kV の接触放電と ±12 kV の気中放電に対して IEC 61000-4-2 ESD 保護等級の条件を上回る性能を備えています。
ホット・スワップのサポート
グリッチ・フリーのパワーアップ/パワーダウン
電源を投入中(通電中)のバックプレーンにモジュールまたはプリント回路基板(PCB)を挿入すると、データ・バスへの差動撹乱により、データ・エラーが発生することがあります。この期間中、プロセッサのロジック出力ドライバは高インピーダンスになり、RS-485 トランシーバーの DE 入力と RE 入力を既定のロジック・レベルに駆動できなくなります。
図 2 に示すように、高インピーダンス状態にあるプロセッサ・ロジック・ドライバから ±100 μA のリーク電流が流れると、標準の CMOS がトランシーバーの DE 入力と RE 入力をイネーブルにして、不正確なロジック・レベルにドリフトすることがあります。さらに、図 3 に示すように、回路ボードの寄生容量により、VCC または GND がイネーブル入力にカップリングされることがあります。このため、ホット・スワップ機能がないと、トランシーバーのドライバまたはレシーバーが誤ってイネーブルになることがあります。ドライバまたはレシーバーが誤ってイネーブルになることを防ぐため、ADM3066E にはホット・スワップ回路が内蔵されています。このため、VCC が上昇すると、内部プルダウン回路によって DE がローに保持され、RE がハイに保持されます。この構成では、ドライバとレシーバーの両方が短時間ディスエーブルになります。内部パワーアップ・シーケンスの後、プルダウン回路はトランスペアレント(データを共有)になり、ホット・スワップ許容入力がリセットされます。
ホット・スワップの充実したサポート
表 1 に、ADM3066E のホット・スワップ機能の試験に使用された入出力ピン状態の組み合わせを示します。電源を投入中(通電中)のバックプレーンにADM3066E 回路ボードを挿入すると、表 1 に示すピン状態のいずれかになります。ADM3066E は、低電圧ロジック入力ピン VIO と VCC 電源ピンの両方を備えているので、さまざまな電源シーケンスや条件が発生します。
ADM3066E A と B の出力は、パワーアップ時に高インピーダンス状態を維持した後、表 1 に記載されたデフォルト状態に戻ります。例えば、VIO と VCC が同時に電源オンになり、RE ピンがローになり、DE ピンと DI ピンがハイになると、A ピンで予想されるデフォルトのハイと B ピンで予想されるデフォルトのローにセトリングするまで、A と B の出力が高インピーダンスになります。
| VCC and VIO | Inputs During Power Up | Output Transitions at Power Up | |||
| Supply Status | RE | DE | DI | A | B |
| VIO and VCC Power Up at the Same Time | L | VIO | VIO | Z to H | Z to L |
| L | VIO | L | Z to L | Z to H | |
| VIO | VIO | X | Z to H/L | Z to H/L | |
| VCC Powers On with VIO Already Powered On | L | H | H | Z to H | Z to L |
| L | H | L | Z to L | Z to H | |
| L | L | X | Z | Z | |
| H | H | X | Z to H/L | Z to H/L | |
| VIO is Not Powered On | Z | Z | X | Z | Z |
信頼性が高い IEC61000-4-2 ESD
ADM3066E システム・レベルのソリューション
RS-485 コネクタや PLC モジュール通信用の配線が露出している場合、ESD が頻繁に発生します。プログラマブル・コントローラ向けのシステム・レベルの IEC 61131-2 規格では、最低で ±6 kVの接触放電と ±8 kV の気中放電に対して IEC 61000-4-2 の ESD 保護等級が要求されます。ADM3066E は、±12 kV の接触放電と ±12 kV の気中放電に対して IEC 61000-4-2 ESD 保護等級の条件を上回る性能を備えています。
図 4 では、人体モデル(HBM) ESD 8 kV の波形と IEC 61000-4-2規格で規定された 8 kV の接触放電電流の波形を比較しています。図 4 は、2 つの規格で仕様規定された波形の形状とピーク電流が異なることを示しています。IEC 61000-4-2 の 8 kV パルスに関連付けられるピーク電流は 30 A で、HBM ESD の対応するピーク電流は 1/5 未満の 5.33 A です。その他の違いは、初期電圧スパイクの立上がり時間にあります。HBM ESD に関連付けられる 10 nsと比較すると、IEC 61000-4-2 ESD では、立上がり時間が 1 ns と短くなります。IEC 61000-4-2 ESD 波形に関連付けられる電力は、HBM ESD 波形の電力よりも大きくなります。HBM ESD 規格では、試験対象の装置は 3 回にわたる正/負の放電が必要なのに対し、IEC 61000-4-2 ESD 規格では、10 回にわたる正/負の放電試験が必要になります。
IEC 61000-4-2 の ESD 定格に対応するADM3066E は、さまざまなレベルの HBM ESD 保護機能を備えた他の RS-485 トランシーバーよりも、過酷な環境での動作に適しています。



